
江蘇冠裕流體設備有限公司
咨詢熱線:15961828396
產品咨詢:王經理
網址:www.xscaw.com
地址:無錫新吳區中關村軟件園21號樓
編輯:江蘇冠裕 發布日期:2021-01-22 瀏覽:0
化工離心泵的揚程計算是選擇泵的重要依據,這是由管網系統的安裝和操作條件決定的。計算前應先繪制流程草圖,平、立面布置圖,計算出管線的長度、管徑及管件型式和數量。
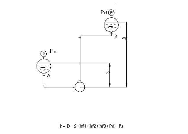
一般管網如下圖所示,(更多圖例可參考化工工藝設計手冊)。
D——排出幾何高度,m;
取值:高于泵入口中心線:為正;低于泵入口中心線:為負;
S——吸入幾何高度,m;
取值:高于泵入口中心線:為負;低于泵入口中心線:為正;
Pd、Ps——容器內操作壓力,m液柱(表壓);
取值:以表壓正負為準
Hf1——直管阻力損失,m液柱;
Hf2——管件阻力損失,m液柱;
Hf3——進出口局部阻力損失,m液柱;
h ——泵的揚程,m液柱




市面上塑料化工磁力泵的產品種類非常豐富,材質不同,型號各不同。不說成千上萬款型號,至少也能數出幾百款型號。這么多的塑料化工磁力泵型號,哪一種能夠滿足使用需求呢?今天冠裕小編就和大家聊一聊。 其實,要確